Описание
Патроны предназначены для закрепления штучных заготовок сложной конфигурации, несимметричных, эксцентриковых (отливки, поковки и т.п.) обрабатываемых на станках токарной группы в условиях серийного и массового производства.
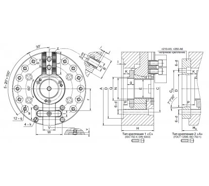
Патроны работают от механизированного привода, устанавливаемого на заднем конце шпинделя станка. Настройка на необходимый диапазон зажима осуществляется переустановкой накладного кулачка по рифлениям основного кулачка, при этом сохраняется необходимая точность патрона.
Патроны имеют проходное отверстие и резьбовые отверстия под крепление грузов для балансировки патрона.
Тип крепления патрона:
1 – «С» крепление на фланцевый конец шпинделя по ISO 702-4 (DIN 6353);
2 – «А» крепление на фланцевый конец шпинделя по ГОСТ 12595 (ISO 702-1; DIN 55026).
По требованию потребителя возможно изготовление патрона для крепления на фланцевые концы шпинделя по ГОСТ 12593 (ISO 702-3; DIN 55027) или ГОСТ 26651 (ISO 702-2; DIN 55029). По исполнению патроны изготавливаются с дюймовым «Д» (1/16»x90° или 3/32»x90°) или метрическим «М» (1,5»x60°) зубчатыми соединениями накладных кулачков.
Примеры заказа:
Патрон диаметром 210 мм с креплением на фланцевый конец шпинделя по ГОСТ 12595; условным размером конуса №6, с дюймовым зубчатым соединением – ППМ1-210.52Д/А6.
Патрон диаметром 250 мм с креплением на фланцевый конец шпинделя по ISO 702-4, c метрическим зубчатым соединением – ППМ1-250.66М.
| Модель | / | Наружный диаметр патрона D, мм | Ход штока, мм | Ход кулачка, радиальный, мм | Ход кулачка, диаметральный, мм | Максимальное усилие, передаваемое приводом, кН | Сила зажима в статическим режиме, кН | Допустимая частота вращения патрона, мин-1 | Масса патрона, кг |
| ППМ1-210 | / | 210 | 21 | 5,5 | 11 | 38 | 90 | 5000 | 20,5 |
| ППМ1-250 | / | 250 | 25 | 6,7 | 13,4 | 50 | 120 | 4000 | 33 |
| Наименование параметров | ППМ1-210.52Д |
ППМ1-250.66Д |
||||||
| ППМ1-210.52М |
ППМ1-250.66М |
|||||||
| Тип крепления | С170 | A5 | A6 | С220 | A6 | A8 | ||
| A | мм | Ø210 | Ø250 |
|||||
| D | мм | Ø170 | Ø82,563 | Ø106,375 | Ø220 | Ø106,375 | Ø139,719 | |
| l | мм | 5 | — | — | 5 | — | — | |
| E | мм | Ø52 | Ø66 |
|||||
| C | мм | Ø133,4 | — | Ø133,4 | Ø171,4 | — | Ø171,4 | |
| CA | мм | — | Ø104,8 | — | — | Ø133,4 | — | |
| d | мм | Ø13 | Ø11 | Ø13 | Ø17 | Ø13 | Ø17 | |
| H | мм | 92 | 105 | |||||
| HA | мм | — | 111 | 104 | — | 124 | 119 | |
| L | мм | 64 | 77,5 | |||||
| N* max |
Д | дюйм | М60х1,5 | М72х1,5 | ||||
| М | мм | М60х2 | М75х2 | |||||
| Q |
мм | Ø67 | Ø78 | |||||
| z* | Д | дюйм | 1/16″х90о | 1/16″х90о | ||||
| М | мм | 1,5х60о | 1,5х60о | |||||
| g | мм | 19 | 20 | |||||
| Pmin | мм | -6 | 18 | 11 | -7 | 12 | 17 | |
| Pmax | мм | 11 | 35 | 28 | 14 | 33 | 38 | |
| K | мм | 17 | 21 | |||||
| B | мм | 40 | 45 | |||||
| b | Д | мм | 17 | 21 | ||||
| М | мм | 14 | 16 | |||||
| m | Д | мм | М12 | М16 | ||||
| М | мм | М12 | М12 | |||||
| i | мм | 3 | 4 | |||||
| j | мм | 2,5 | 2,5 | |||||
| S | Д | мм | 23 | 30 | ||||
| М | мм | 25 | 30 | |||||
| V | мм | 35 | 40 | |||||
| v |
мм | 5,5 | 5,5 | |||||
| r | мм | 62,5 | 71 | |||||
| t | мм | 18 | 20 | |||||
| W | мм | 75 | 90 | |||||
| w | мм | 34 | 45 | |||||
| k | мм | М12 | M12 | |||||
| q |
мм | М8 | M8 | |||||