Круглый фрезерный

Описание

Стол спроектирован с учетом требований современной станкостроительной промышленности.
Стол предназначен для установки и закрепления деталей или приспособлений на металлорежущих станках.
Класс точности стола — П или Н,
Цена деления шкалы лимба — 1 мин,
Цена деления шкалы планшайбы — 1 градус,
Передаточное отношение червячной пары 1:180.

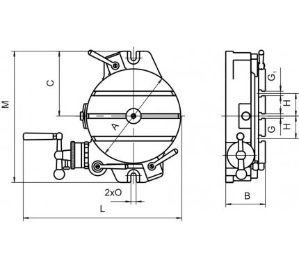
Размеры и технические характеристики

Модель / A B C G G1 H L M O Масса, кг
61П-17-000 / 250 105 172 12Н9 12Н12 60 421 348 14 36

Нормы точности столов поворотных ГОСТ 16935-93

Наименование отклонения Допуски, мкм для столов классов точности Н и П с диаметром планшайбы, мм
250 400
Н П Н П
Плоскостность рабочей поверхности планшайбы
16
10
20
12
Торцовое биение рабочей поверхности планшайбы
20
12
25
16
Параллельность рабочей поверхности планшайбы к основанию стола
20
12
25
16
Радиальное биение центрального отверстия:
-у торца планшайбы
-на расстоянии, мм

12

20/75

8

12/75

16

25/100

10

16/100

Степень точности конуса по ГОСТ 2848
АТ7
АТ6
АТ7
АТ6