Круглый с ручным и механизированным приводами

Описание
 
Стол предназначен для установки и закрепления деталей или приспособлений на металлорежущих станках.
Привод стола осуществляется вручную ручкой маховика или механически от привода станка.
Класс точности стола – П или Н,
Цена деления шкалы лимба – 1 мин,
Цена деления шкалы планшайбы – 1 градус.
Передаточное отношение червячной пары 1:90,
Максимальный крутящий момент на планшайбе,  – 377 Н×м,
Максимальная мощность на приводе стола – 0,33 кВт.

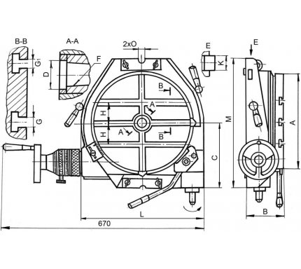
Размеры и технические характеристики

Модель / A B C D F G G1 H K L M O Масса, кг
7204-0023-01 / 400 130 260 40Н7 КМ4 14Н8 14Н11 63 18Н8 470 510 18 114

Нормы точности столов поворотных ГОСТ 16935-93

Наименование отклонения Допуски, мкм для столов классов точности Н и П с диаметром планшайбы, мм
250 400
Н П Н П
Плоскостность рабочей поверхности планшайбы
16
10
20
12
Торцовое биение рабочей поверхности планшайбы
20
12
25
16
Параллельность рабочей поверхности планшайбы к основанию стола
20
12
25
16
Радиальное биение центрального отверстия:
-у торца планшайбы
-на расстоянии, мм

12

20/75

8

12/75

16

25/100

10

16/100

Степень точности конуса по ГОСТ 2848
АТ7
АТ6
АТ7
АТ6