Описание
Патроны предназначены для закрепления штучных заготовок, обрабатываемых на станках токарной группы классов точности «П» в условиях серийного и массового производства.
Патроны работают от механизированного привода, устанавливаемого на заднем конце шпинделя станка. В конструкции патронов предусмотрена взаимозаменяемость накладных кулачков, позволяющая значительно повысить производительность и точность при обработке заготовок на станках автоматах.
Патроны обеспечивают герметизацию внутренних полостей патрона от попадания мелкой стружки и вымывания смазки, увеличение срока службы патрона и повышенную точность центрирования кулачков.
Точность патронов «П» ГОСТ 1654.
Класс точности балансировки G 6,3 ГОСТ ИСО 1940-1.
Патроны поставляются с мягкими незакаленными кулачками.
Примеры заказа:
Патрон токарный двухкулачковый диаметром 125 мм – ПКМ-150.2.С120.
Патрон токарный трехкулачковый диаметром 150 мм – ПКМ-150.С120.
| Модель | / | Диаметр патрона, мм | Количество кулачков | Ход штока, мм | Ход кулачка, радиальный, мм | Ход кулачка, диаметральный, мм | Диапазон диаметров зажимаемых поверхностей, мм | Максимальное усилие, передаваемое приводом, кН | Суммарная сила зажима в накладных кулачках, кН | Допустимая частота вращения патрона, мин-1 | Точность центрирования при взаимозаменяемости кулачков, мкм | Точность центрирования при непосредственной расточке кулачков, мкм | Масса патрона, кг |
| ПКМ-125 | / | 125 | 3 | 16 | 4,2 | 8,4 | 8-125 | 15 | 30 | 3600 | 150 | 50 | 7,0 |
| ПКМ-150.2 | / | 150 | 2 | 20 | 5,3 | 10,6 | 12-150 | 16 | 30 | 3600 | 150 | 60 | 10,5 |
| ПКМ-150 | / | 150 | 3 | 20 | 5,3 | 10,6 | 12-150 | 20 | 45 | 3600 | 150 | 60 | 11,0 |
| ПКМ-160.2 | / | 160 | 2 | 20 | 5,3 | 10,6 | 12-160 | 16 | 30 | 3600 | 150 | 60 | 11,5 |
| ПКМ-160 | / | 160 | 3 | 20 | 5,3 | 10,6 | 12-160 | 20 | 45 | 3600 | 150 | 60 | 12,0 |
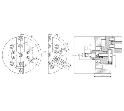
| Наименование параметров | ПКМ-125 | ПКМ-150 | ПКМ-160 | ||||
| Количество кулачков | 3 | 2 | 3 | 2 | 3 | ||
| A | мм | Ø125 | Ø150 | Ø160 | |||
| D | мм | Ø100 | Ø120 | Ø130 | |||
| I | мм | 6 | 8 | 8 | |||
| C | мм | Ø82,6 | Ø104,8 | Ø104,8 | |||
| d | мм | Ø11 | Ø11 | Ø11 | |||
| H | мм | 65 | 75 | 75 | |||
| L | мм | 40,5 | 47,5 | 50,5 | |||
| N | мм | М12 | М16 | М16 | |||
| Q | мм | Ø36 | Ø40 | Ø40 | |||
| w min | мм | 75 | 69 | 69 | |||
| w max | мм | 91 | 89 | 89 | |||
| h | мм | 55 | 55 | 55 | |||
| K | мм | 16 | 20 | 20 | |||
| B | мм | 20 | 24 | 24 | |||
| b | мм | 12 | 14 | 14 | |||
| m | мм | М10 | М12 | М12 | |||
| l | мм | 7,5 | 10 | 10 | |||
| r | мм | 8 | 10 | 10 | |||
| z | мм | 37 | 48,5 | 48,5 | |||
| S | мм | 23 | 30 | 30 | |||
| Старое обозначение | Новое обозначение |
|
ПКСА-125.С100 |
ПКМ-125.С100 |
|
ПКСА-150.2.С120 |
ПКМ-150.2.С120 |
|
ПКСА-150.С120 |
ПКМ-150.С120 |
|
ПКСА-160.2.С130 |
ПКМ-160.2.С130 |
|
ПКСА-160.С130 |
ПКМ-160.С130 |