Описание
Патроны предназначены для закрепления штучных заготовок, обрабатываемых на станках токарной группы классов точности «Н» и «П» в условиях серийного и массового производства. Патроны работают от механизированного привода, устанавливаемого на заднем конце шпинделя станка. Настройка на необходимый диаметр зажима осуществляется переустановкой накладных закаленных кулачков по рифлениям основных кулачков, при этом сохраняется необходимая точность патрона. Точность патрона с незакаленными кулачками достигается путем расточки накладных кулачков после их переустановки на необходимый диаметр. Также в корпусе патрона предусмотрены масленки для смазывания рабочих поверхностей патрона.
Точность патронов «Н» или «П» ГОСТ 1654.
Класс точности балансировки G 6,3 ГОСТ ИСО 1940-1.
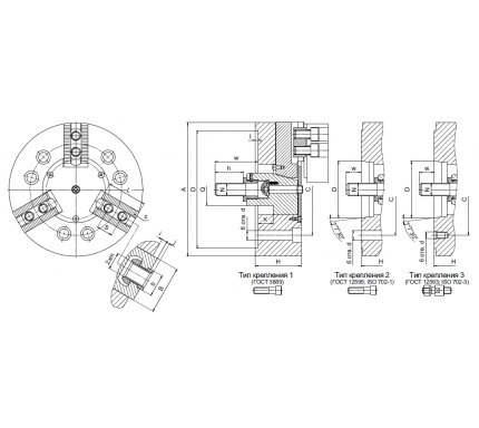
Тип крепления патрона:
1 – крепление через промежуточный фланец ГОСТ 3889 на шпиндель станка.
2 – крепление на фланцевый конец шпинделя по ГОСТ 12595 (ISO 702-1; DIN 55026);
3 – крепление на фланцевый конец шпинделя по ГОСТ 12593 (ISO 702-3; DIN 55027);
Примеры заказа:
Патрон диаметром 315 мм с креплением на фланцевый конец шпинделя по ГОСТ 12595; условным размером конуса №8, шаг рифлений «1/16″х90°», класса точности «Н» – ПКМ-315.К8М (мелкий шаг рифления).
Патрон диаметром 400 мм с креплением на фланцевый конец шпинделя по ГОСТ 12593; условным размером конуса №11, шаг рифлений «2,5х90°», класса точности «П» – ПКМ-400.J11КП (крупный шаг рифления).
| Модель | / | Наружный диаметр патрона D, мм | Ход штока, мм | Ход кулачка, радиальный, мм | Ход кулачка, диаметральный, мм | Диапазон диаметров зажимаемых поверхностей, мм | Максимальное усилие, передаваемое приводом, кН | Суммарная сила зажима в накладных кулачках, кН | Допустимая частота вращения патрона, мин-1 | Масса патрона, кг |
| ПКМ-315 | / | 315 | 40 | 10,5 | 21 | 30 — 315 | 80 | 185 | 3000 | 70 |
| ПКМ-400 | / | 400 | 38 | 10 | 20 | 30 — 400 | 95 | 220 | 3000 | 113 |
| ПКМ-500 | / | 500 | 38 | 10 | 20 | 35-500 | 95 | 220 | 1500 | 174 |
| Наименование параметров | ПКМ-315 | ПКМ-400 | ПКМ-500 | ||||||||||||
| С270 | А8 | J8 | C340 | A8 | J8 | A11 | J11 | С440 | A8 | J8 | A11 | J11 | |||
| Тип крепления | 1 | 2 | 3 | 1 | 2 | 3 | 2 | 3 | 1 | 2 | 3 | 2 | 3 | ||
| A | мм | Ø315 | Ø400 | Ø500 | |||||||||||
| D | мм | Ø270 | Ø139,719 | Ø340 | Ø139,719 | Ø196,869 | Ø440 | Ø139,719 | Ø196,869 | ||||||
| I | мм | 10 | 18 | 10 | 18 | 20 | 12 | 18 | 20 | ||||||
| C | мм | Ø235 | Ø171,4 | Ø235,0 | Ø171,4 | Ø235,0 | Ø330,2 | Ø171,4 | Ø235,0 | ||||||
| d | мм | Ø22 | Ø18 | М16 | Ø22 | Ø18 | М16 | Ø22 | М20 | Ø26 | Ø18 | М20 | Ø22 | М20 | |
| N | мм | М27 | М27 | М27 | |||||||||||
| w min | мм | 80 | 80 | 118 | |||||||||||
| w max | мм | 120 | 118 | 156 | |||||||||||
| h | мм | 60 | 60 | 60 | |||||||||||
| H | мм | 125 | 125 | 125 | |||||||||||
| z | M | дюйм | 1/16″x90° | ||||||||||||
| K | мм | 2,5х90° | |||||||||||||
| K | мм | 40 | 38 | 38 | |||||||||||
| L | мм | 95 | 95 | 185 | |||||||||||
| B | мм | 55 | 55 | 55 | |||||||||||
| b | мм | 25 | 25 | 25 | |||||||||||
| m | мм | М20 | М20 | М20 | |||||||||||
| i | мм | 3 | 3 | 3 | |||||||||||
| j | мм | 4 | 4 | 4 | |||||||||||
| S | мм | 31 | 31 | 31 | |||||||||||
| Q | мм | Ø65 | Ø65 | Ø65 | |||||||||||
| 7102 | ПКМ |
|
7102-0080М |
ПКМ-315.К8 |
|
7102-0081М |
ПКМ-315.J8 |
|
7102-0085М |
ПКМ-400.К8 |
|
7102-0086М |
ПКМ-400.J8 |
|
7102-0087М |
ПКМ-400.К11 |
|
7102-0088М |
ПКМ-400.J11 |