Суппорты

Описание

Суппорты СУТ 01 и СУТ 06 предназначены для установки на токарные станки мод. 16Р25П.
Суппорты СУТ 02, СУТ 03, СУТ 07, СУТ 08 предназначены для установки на токарные станки моделей МК6046, МК6056
и их модификации.
Суппорты СУТ 04 и СУТ 05 предназначены для установки на токарные станки моделей СА562,СА500С.
Суппорты СУТ 09 и СУТ 10 предназначены для установки на токарный станок модели 1К62.
Суппорты СУТ 11, СУТ 14, СУТ 17, СУТ 18 предназначены для установки на токарный станок модели 16К20.
Суппорт СУТ 12 предназначен для у с т ановки на токарный станок модели СА630С.
Суппорты СУТ 13 и СУТ 16 предназначены для установки на токарный станок модели 1М63.
Суппорт СУТ 15 и СУТ 19 предназначены для установки на токарные станки моделей СА550 (600С).
Суппорты комплектуются: четырехпозиционными резцедержателями моделей УГ0101.600.000.000, РДТ-4П, головками резцовыми ГР 002; ГР 002-01; ГР 003.

Размеры и технические характеристики

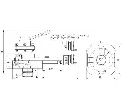
Модель / Тип привода Тип резцедержателя h1 d h S D p K M А L H z m Масса, кг
СУТ 01 / ручн.+мех. УГ0101.600 112 Ø80h7 35 89 Ø185 56 238 225 530 150 343 36 2 44
СУТ 02 / ручн. УГ0101.600 115 Ø80h7 10 92 Ø185 56 238 225 530 150 318 36 2 43
СУТ 03 / ручн.+мех. УГ0101.600 115 Ø80h7 27 92 Ø185 56 238 225 530 150 335 36 2 43,5
СУТ 04 / ручн.+мех. УГ0101.600 120,5 Ø80h7 27 97,5 Ø185 56 238 225 530 150 343 36 2 45
СУТ 05 / ручн.+мех. РДТ-4П 120,5 Ø80h7 27 97,5 Ø185 56 238 225 530 150 342 36 2 43
СУТ 06 / ручн.+мех. РДТ-4П 112 Ø80h7 35 89 Ø185 56 238 225 530 150 343 36 2 44
СУТ 07 / ручн.+мех. РДТ-4П 115 Ø80h7 27 92 Ø185 56 238 225 530 150 335 36 2 43,5
СУТ 08 / ручн. РДТ-4П 115 Ø80h7 10 92 Ø185 56 238 225 530 150 318 36 2 43
СУТ 09 / ручн. УГ0101.600 83,5 Ø90h7 7,5 60,5 Ø180 56 220 220 497 150 287 36 2 34
СУТ 10 / ручн. РДТ-4П 83,5 Ø90h7 7,5 60,5 Ø180 56 220 220 497 150 282 36 2 34
СУТ 11 / ручн. УГ0101.600 86,5 Ø80h7 7,5 63,5 Ø185 56 220 220 497 150 292 36 2 37
СУТ 12 / ручн.+мех. ГР 002 168,5 Ø90h7 47 136,5 Ø200 68,5 310 246 563 185 436 36 2 85
СУТ 13 / ручн.+мех. ГР 003 137 Ø85h6 40,5 105 Ø288 152 325 325 620 220 430 30 2 90
СУТ 14 / ручн.+мех. УГ0101.600 86 Ø80h7 25 63,5 Ø185 56 238 225 530 150 311 36 2 37
СУТ 15 / ручн.+мех. УГ0101.600 157 Ø80h7 27 134 Ø185 56 238 225 530 150 377 36 2 76
СУТ 16 / ручн.+мех. ГР 002-01 137 Ø85h6 40,5 105 Ø288 152 325 325 620 220 420 30 2 85
СУТ 17 / ручн. РДТ-4П 86,5 Ø80h7 7,5 63,5 Ø185 56 220 220 497 150 292 36 2 35
СУТ 18 / ручн.+мех. РДТ-4П 86 Ø80h7 25 63,5 Ø185 56 238 225 530 150 311 36 2 35
СУТ 19 / ручн.+мех. РДТ-4П 157 Ø80h7 27 134 Ø185 56 238 225 530 150 377 36 2 74